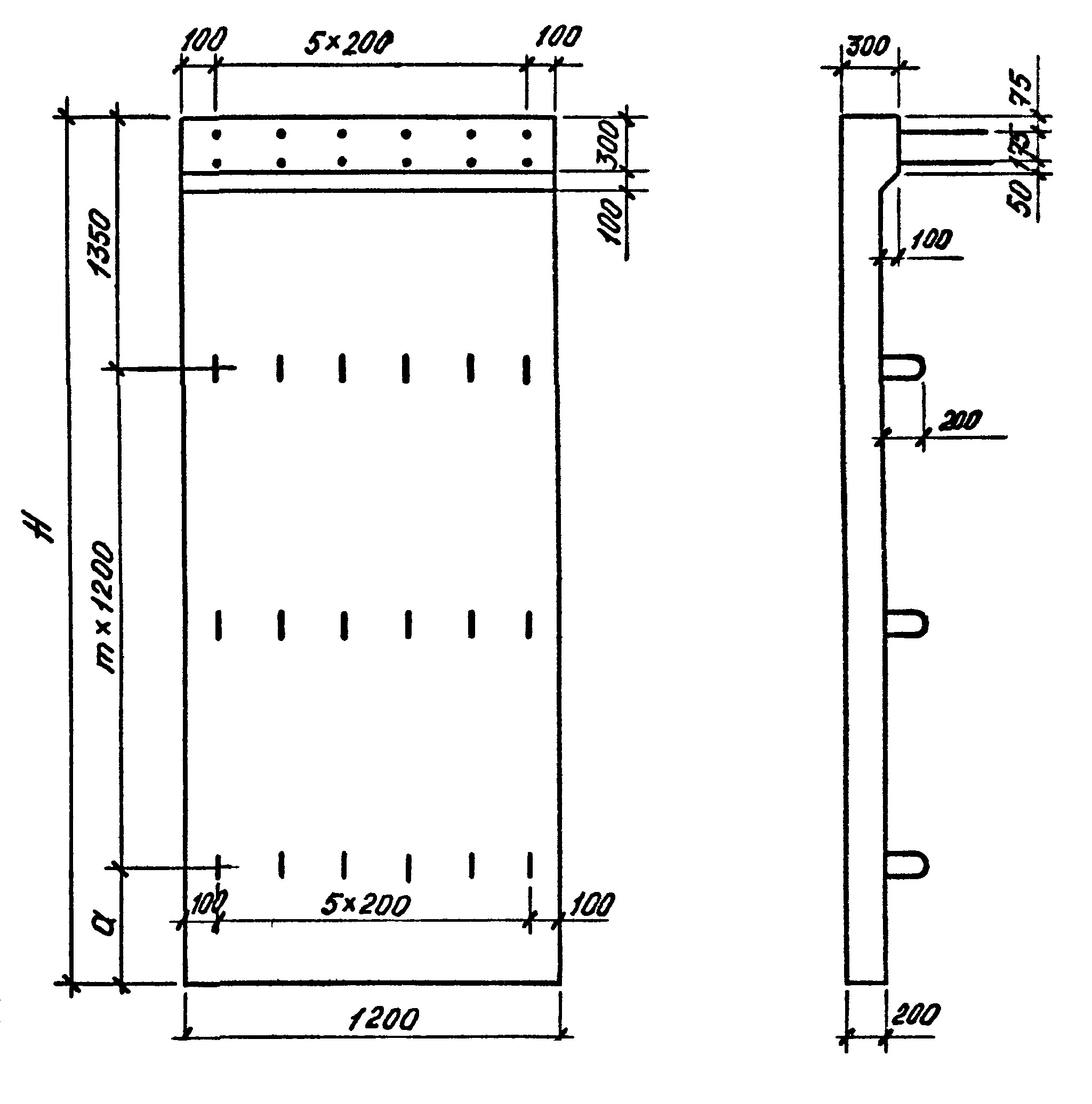
Плита фундаментная плоская ППФ 9-51 ТУ предназначена для использования в строительстве как основание для фундамента. Она обеспечивает равномерное распределение нагрузки от здания на грунт, что способствует устойчивости и надежности конструкции. Плита изготовлена из железобетона, что обеспечивает ей высокую прочность и долговечность.









